zum Hauptinhalt springen
Main Inhalt
Gewindeeinsatz; Messing; M2; ; L: 1,35mm; für Kunststoff, GFK, CFK
0,55 €
0,55 € je Stück
Endpreis*
Versandgewicht: 0,005 Kg
Menge:
Die Menge wurde überschritten und angepasst.
Auf die Merkliste
Berechnen
In den Warenkorb
Auf Lager: in 3 Werktagen bei dir

Gewindeeinsatz; Messing; M2; ; L: 1,35mm; für Kunststoff, GFK, CFK
TAPPEX-Gewindeeinsatz

Perfekt geeignet für ausgerissene Gewindelöcher in GFK oder CFK – wir verwenden diese Methode in unseren Chassis, da sie deutlich langlebiger ist als Gewinde in dünnem CFK oder GFK.

Je nach Material muss natürlich vorgebohrt werden, etwa mit 3,1 mm (bitte je nach Material testen!). Anschließend sollte das Bauteil sorgfältig eingepresst werden. Mit einem winzigen Tropfen Sekundenkleber fixiert, hält es dauerhaft, und man schraubt anschließend sicher in Messing.


Bild 3
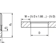
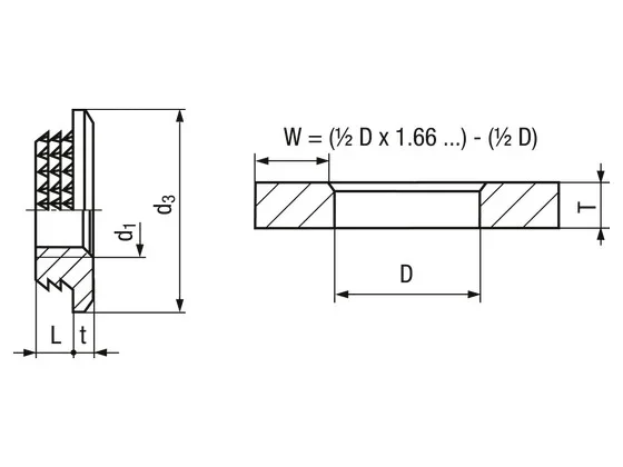
Head Diameter D: 4.90 mm
Head Thickness T: 0.55 mm
Length L: 1.35 mm
Pitch (internal): 0.4
Thread Size: M2

Produktmerkmale:
Patentierte Aussenform
Besonders geeignet für dünnwandige Materialien
Einbaumöglichkeiten: Einpressen, Ultraschalleinbettung, Wärmeeinbettung
Zusätzliche Informationen

Aufnahmelochbemassungen: Wir weisen darauf hin, dass die angegebenen Masse Richtwerte darstellen und je nach Werkstoff des Formteils variieren können. Bitte kontaktieren Sie uns für ein genau bemasstes Aufnahmeloch, abgestimmt auf Ihre Anwendungsparameter. Vor Serienanfertigung sind Versuche angezeigt.

Verpackungsmenge: 1 Stück

Info:
Im Bereich M2 werden überwiegend Torx-Schrauben genutzt, wenn man es gut machen will ;-), wofür ein Torx-Schlüssel der Größe TX6 erforderlich ist.

Empfehlenswert ist der Wera T6 TORX® Präzisionsschraubendreher mit einer Gesamtlänge von 137 mm und einer Klingenlänge von 40 mm (Hersteller-Teilenummer: 05118182001).

Für die M2-Muttern benötigt ihr einen Steckschlüssel der Größe 4.

Darüber hinaus solltet ihr einen Inbusschlüssel der Größe 1,5 sowie einen kleinen Kreuzschraubendreher bereithalten, um für die Arbeiten am Slotcar bestens ausgestattet zu sein.

Das bekommt ihr alles hier im SHOP.

Messingschrauben hingegen sind mit einem Kreuzschlitz versehen und erfordern vorsichtige Handhabung. Sie sind besser geeignet für Schrauben im unteren Bereich des Chassis, beispielsweise zur Gewichtsverlagerung, und werden in der Regel für einmalige Anwendungen eingesetzt, wie etwa bei Wacklern oder Dämpferhülsen. Hierbei ist besondere Sorgfalt notwendig, weshalb ein hochwertiger Kreuzschraubendreher empfohlen wird.


Hinweis zu Gewichtsangaben, Toleranzen und Farben Die angegebenen Gewichte in unseren Artikelbeschreibungen sind Zirka-Angaben. Aufgrund von unvermeidbaren Messtoleranzen sowie material- und produktionsbedingten Schwankungen – insbesondere bei additiven Fertigungsverfahren (wie 3D-Druck) und CNC-Frästeilen – kann das tatsächliche Gewicht leicht variieren. Diese Abweichungen sind normal und stellen keinen Mangel dar.

Die tatsächliche Farbe von Ersatzteilen und anderen Bauteilen mit Farbgebung kann von der dargestellten Abbildung abweichen. Farbunterschiede können aufgrund von Produktionschargen oder der aktuellen Lieferverfügbarkeit entstehen. Dies hat jedoch keinerlei Einfluss auf die Funktionalität oder Passgenauigkeit des Artikels.

Sicherheitshinweise, kein Kinderspielzeug
Wichtiger Sicherheitshinweis: Kein Kinderspielzeug!

Bitte lesen Sie diesen Hinweis vor dem Kauf sorgfältig durch.

Bei den hier angebotenen Slot Car Artikeln und Zubehörs handelt es sich um detaillierte Modellbau- und Sammlerartikel für Erwachsene und Jugendliche. Sie sind ausdrücklich kein Spielzeug im Sinne der EU-Spielzeugrichtlinie (2009/48/EG).

Zielgruppe und Altersfreigabe: Diese Produkte sind ausschließlich für Jugendliche und Erwachsene ab einem Alter von 14 Jahren bestimmt.

Gründe für den Warnhinweis und Gefahren: Slot Car Artikel sind nicht für die Verwendung durch kleine Kinder geeignet, da sie produktspezifische Gefahren bergen:

Verschluckbare Kleinteile: Viele Artikel (z.B. Ersatzteile, Zubehör) enthalten kleine Teile, die bei Verschlucken eine Erstickungsgefahr darstellen.

Magnete: Einige Produkte enthalten starke Magnete, die bei Verschlucken schwere innere Verletzungen verursachen können.
Scharfe Kanten/Funktionsbedingte Risiken: Funktions- oder detailgetreue Bauteile können scharfe Kanten oder Spitzen aufweisen bzw. Klemmgefahren bergen.

Verantwortung: Bitte bewahren Sie diese Artikel und deren Zubehör außerhalb der Reichweite von kleinen Kindern auf.

Die Verantwortung für die sachgemäße Handhabung und die Einhaltung der Altersempfehlung liegt beim Käufer bzw. Anwender. Mit dem Kauf bestätigen Sie, dass Sie diesen Hinweis zur Kenntnis genommen haben und die Produkte der vorgesehenen Altersgruppe zugänglich machen.


Vertrag widerrufen
100%
Passwort eingeben
Abbrechen
Öffnen
Schließen
Warenkorb